Tractor Steering Motor
Rated Voltage: 12VDC/24VDC
Control Signals: RS232/CAN
Servo design, high control accuracy, accuracy can reach 0.1 degree.
Integrated design, easy installation and maintenance.
It is used for unmanned agricultural machinery, road engineering vehicles,low-speed unmanned vehicles, etc. Customization supported.
Product Introduction:
In modern agriculture, Unmanned tractors are gradually becoming the core equipment of intelligent farms, and the high-precision Unmanned Driving Auto Steering Motor, as the key executive component of the unmanned driving system, plays a crucial role. By integrating advanced Motor control algorithms and sensor feedback systems, the Auto Steering Motor can precisely control the steering Angle of the tractor to ensure that the vehicle travels strictly along the preset path.
Technical Parameters:
Model | KY173DD01005-08-HC |
Rated Voltage | DC 12V/24V |
Power Supply Range | DC 9V-36V |
Rated Power | 50W |
Rated Current | 10A |
Rated Speed | 100RPM |
Instantaneous Max.Current | 20A |
Working Mode | Speed Mode, Position Mode |
Under voltage protection | 7V(adjustable) |
Over voltage protection | 32V(adjustable) |
Control Method | RS232/CAN/CANopen |
Feedback Part | Linear encoder |
Operating Temp. | -25-+55℃ |
Storage Temp. | -35-+65℃ |
Protection Grade | IP55 |
Cooling Method | Natural Cooling |
Weight | ≤5kg |
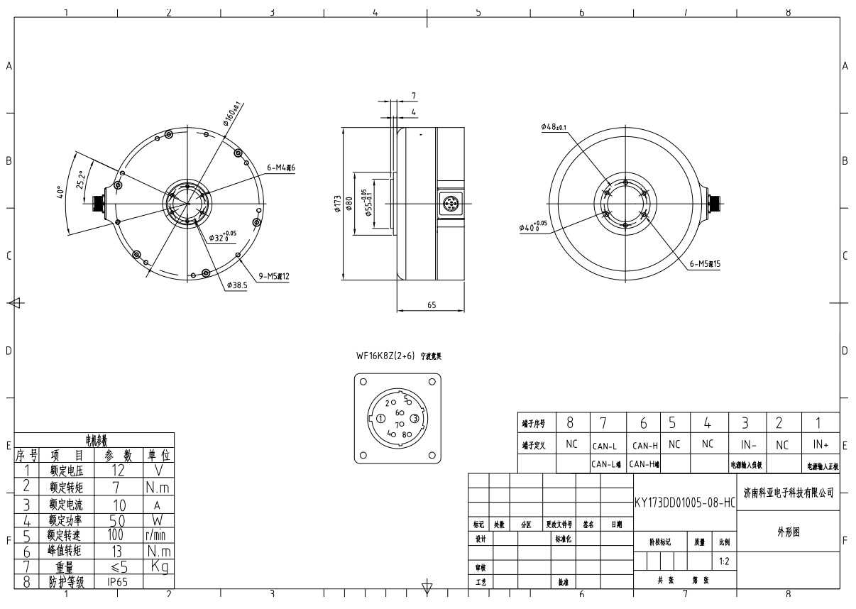
Product Drawing:
Certificate:
Application Areas:
It is used for unmanned agricultural machinery, road engineering vehicles,low-speed unmanned vehicles, etc. Customization supported.
Advanced Equipment&Workshop:
To ensure the quality of products such as tractor auto steering motors, strict first-piece control, inspection control, final inspection control and finished product shipment inspection control are implemented before the products leave the factory. Immediately activate the rapid response mechanism for any identified issues to ensure the stable and reliable long-term operation of the product.
FAQ:
Product price?
The greater the purchase quantity, the greater the discount you can enjoy. For detailed prices, please feel free to consult us online at any time.
Product quality?
The product has passed the ISO9001 international quality system certification and CE certification, ensuring the stability and reliability of the product operation.
Product delivery?
Inventory products will be dispatched promptly upon receipt of orders, while other products will be dispatched strictly in accordance with the agreed dates in the contract.








