Steering Wheel Motor
Rated Voltage: DC 12V/24V
Power Supply Range: DC 9-36V
Rated Power: 50W
Rated Current: 10A
Rated Speed: 100RPM
Control Method: RS232/CAN/CANopen
Feedback Part: Linear encoder
Product Description:
Steering Wheel Motor is a brushless dc torque Motor, rated voltage of 12V/ 24V, designed for farm machinery usage scenarios.It meets multiple requirements such as vibration characteristics, three-proof (rainproof, dustproof and salt spray-proof), and temperature characteristics. Meanwhile, it adopts an integrated design, which is simple to install and easy to maintain. The brushless motor integrates a high-precision incremental encoder inside, significantly enhancing control accuracy and response speed. The unmanned driving auto steering motor is equipped with fault code prompts, overcurrent, overload, overvoltage, undervoltage and other protections to ensure the safe operation of the equipment and extend its service life at the same time.
Technical parameters:
Model | KY173DD01005-08-HC |
Rated Voltage | DC 12V/24V |
Power Supply Range | DC 9V-36V |
Rated Power | 50W |
Rated Current | 10A |
Rated Speed | 100RPM |
Instantaneous Max.Current | 20A |
Working Mode | Speed Mode, Position Mode |
Under voltage protection | 7V(adjustable) |
Over voltage protection | 32V(adjustable) |
Control Method | RS232/CAN/CANopen |
Feedback Part | Linear encoder |
Operating Temp. | -25-+55℃ |
Storage Temp. | -35-+65℃ |
Protection Grade | IP55 |
Cooling Method | Natural Cooling |
Weight | ≤5kg |
Working Mode Configuration Table:
Working mode | Control instruction | Feedback Part |
Speed mode | RS232、CAN | Linear encoder |
Position mode | RS232、CAN | Linear encoder |
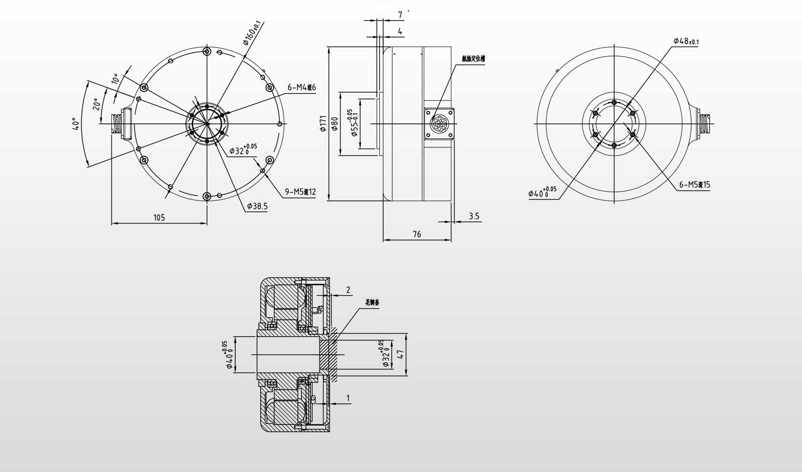
Drawing:
Adapters For Different Tractors | |||
Adapter model | Tractor Brands &Models | Adapters teeth | Adapters size |
A | 1. John Deere 2. CASE 110 3.New Holland (1404, 2104, 6070, 110-90, 165, TD85D, 1654, 1304) 4. Fendt(716) 5. French Renault11404 | 36 | 21.8-22.1 |
B | 1.WORLD 1304,2204,604,904, 1404,1604 | 36 | 18.2 |
W | 2. DEUTZ (904,454,604,704,804 1204,1604,1654) | 36 | 18.5 |
N | 1. CASE(PUMA145,185CVX) 2. CLASS 3. MASSEY FERGUSON 4. Fendt (936) 5. Valtra N154 | 36 | 15.8 |
D | 1. CASE CVX 1170 2. Fendt (Vario 772, 714 Vario, 2204) 3. LAMBORGINI | 36 | 20.4 |
F | Valtra(2104,191,1904,1504,8158 T183,T171) | Single key | 24.5 |
K | Belarus MTZ 824, 1204 | 36 | 17.8 |
NH40 | 1. New Holland 1304, TS100 2. CASE MXM | 40 | 17.7 |
T | 1. Kubota 594 2. Yanmar Agrica AC21W | 18 | 15 |
Application Areas:
12V auto steering Motor in agricultural machinery, highway engineering vehicles and unmanned vehicles at low speed are the applications of rapid development. When applied in agricultural machinery, it can enhance agricultural production efficiency and reduce labor costs. When applied in road construction, it can enhance the safety and efficiency of operations.
Advanced Equipment&Workshop:
The process quality control of products before delivery implements "four controls", namely first item control, inspection control, final inspection control, and finished product inspection control before shipping. After strict inspection in the testing process, the "8D" model is adopted for the discovered problems, tracing the root causes of the problems, and improving the closed loop and PDCA cycle.
FAQ:
Q1: What is the price of the product?
A2: The specific price is determined by the model, power and purchase quantity. Welcome to provide your requirements for an accurate quotation.
Q2: Are there any bulk purchase discounts?
A2: Yes, the larger the purchase volume, the greater the discount. Specific offers can be discussed in detail.
Q3: Is technical support and after-sales service provided?
A3: We offer full technical support throughout the process. Our after-sales team responds promptly to ensure that any issues are resolved in a timely manner.
Q4: What is the delivery cycle like?
A4: For in-stock products, shipment will be arranged promptly upon receipt of the order. For other products, the delivery cycle needs to be evaluated based on demand.
For more information, please feel free to contact us at any time!




